

盘面仪表
型号:BP-100Y
精度:2.5级
测量范围:
名 称 | 规 格 | 说 明 |
交流电流表 | 1-1000mA 1-50A 5-1000A 10A-10KA | 10A-10KA外接次电流为5A的电流互感器 |
交流电压表 | 30V-600V 450V-450KV | 高于600V外接次电压为100V 110V 120V 150V的电压互感器 |
直流电流表 | 100-1000uA 1-1000mA 1-50A 10A-10KA | 10A-10KA外接75MV 60MV 50MV的外附分流器 |
直流电压表 | 1-600V | 高于600V配外附定值电阻器 |
频率表 | 44-55Hz 45-65Hz 55-65Hz | 电压100V 220V 380V 440V |
阻燃:外壳用阻燃塑料材料制成(符合UL-94 V0标准)
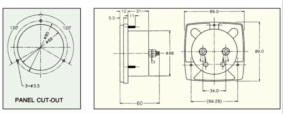
安装:通过螺母安装,安全,快速,牢固。
