您好,欢迎来到xk星空体育直播|追求高质量的平台官网!

仪器仪表生产企业

来自台湾的指针式电表生产工厂创始于1977年

全国服务热线:

0512-57550893
昆山转速表厂家
您当前的位置 : 首 页 > 产品展示 > TAF系列

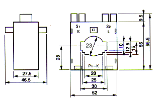
电流互感器 TAF2

2021-04-15 11:21:19
电流互感器 TAF2
详细介绍:

电流互感器 RCT系列

型号: TAF1 TAF2 TAF3

产品描述&技术参数:

型号

额定电流一次/二次(A)

汇流排安装孔尺寸

额定负载(VA)

精度等级

额定电压(V

TAF1

50/ 5A-150/5A

ф=22mm

1.5-2.5

1

660

TAF2

200/5A-600/5A

30×10mm

2.5-3

1

660

TAF3

150/5A-800/5A

40×10mm

2.5-5

1

660


TAF2

2.png



标签

上一篇:电流互感器 TAF12021-04-15
下一篇:电流互感器 TAF2021-04-15

最近浏览:

相关新闻