您好,欢迎来到xk星空体育直播|追求高质量的平台官网!

仪器仪表生产企业

来自台湾的指针式电表生产工厂创始于1977年

全国服务热线:

0512-57550893
昆山转速表厂家
您当前的位置 : 首 页 > 产品展示 > RCT系列

电流互感器 RCT-15-1

2021-04-15 11:24:30
电流互感器 RCT-15-1
详细介绍:

产品型号:RCT-10,RCT-15-1、RCT-15-2,RCT-15-3,RCT-15-4

产品描述&技术参数:

电流互感器RCT批发

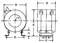
型号

A

B

C

D

E

F

G

H

I

RCT-10

75

63

31

52

30

45

8

20

13

RCT-15-1

95

75

35

67

55

45

8

20

13

RCT-15-2

120

100

60

67

55

45

8

20

13

RCT-15-3

150

130

90

72

55

45

8

20

13

RCT-15-4

190

180

120

72

60

45

8

20

13

型号

额定电流 一次

额定电流二次

额定  负载

精度  等级

RCT-10

20-200A

1A5A

2.5-5VA

0.51.0

RCT-15-1

20-200A

1A5A

2.5-5VA

0.51.0

RCT-15-2

400-600A

1A5A

5-10VA

0.51.0

RCT-15-3

800-1200A

1A5A

15VA

0.51.0

RCT-15-4

1600-3000A

1A5A

15VA

0.51.0



标签

上一篇:电流互感器 RCT-15-22021-04-15
下一篇:电流互感器 RCT102021-04-15

最近浏览: